Schnauze Voll, hintere Sättel und fester Hebel, nun bekommen die einen Schmiernippel
- Roccily
- Erfahrener Nutzer
- Beiträge: 1086
- Registriert: Do 24. Nov 2005, 10:38
Re: Schnauze Voll, hintere Sättel und fester Hebel, nun bekommen die einen Schmiernippel
Ich habs mit zwei großen nicht so scharfen Schraubenziehern rausgehebelt. Das ging besser, als mit nem Seitenschneider. Der ist immer abgerutscht.
Gruß
Roccily

Roccily
- DocDulittel
- Erfahrener Nutzer
- Beiträge: 2884
- Registriert: So 18. Jun 2006, 18:16
- Wohnort: Morsum City
Re: Schnauze Voll, hintere Sättel und fester Hebel, nun bekommen die einen Schmiernippel
Ich habe die 36er Sättel vor bestimmt 15 Jahren auf Schmiernippel umgerüstet. Dazu einen neuen Dichtsatz von Stummel78 aus dem Golf Forum und alles war gut. Nie wieder Probleme. Das Fett hab ich allerdings auch sachte und nicht mit 100 Bar reingepresst.
- cekey
- Erfahrener Nutzer
- Beiträge: 3381
- Registriert: Fr 5. Apr 2002, 12:07
Re: Schnauze Voll, hintere Sättel und fester Hebel, nun bekommen die einen Schmiernippel
Mach mal ein Foto bei Gelegenheit.DocDulittel hat geschrieben: Fr 13. Sep 2024, 02:50 Ich habe die 36er Sättel vor bestimmt 15 Jahren auf Schmiernippel umgerüstet. Dazu einen neuen Dichtsatz von Stummel78 aus dem Golf Forum und alles war gut. Nie wieder Probleme. Das Fett hab ich allerdings auch sachte und nicht mit 100 Bar reingepresst.
Mein Sattel war ja auch schon fest, sicher nicht die Beste Basis.
-
Kecko
- Neuer Benutzer
- Beiträge: 24
- Registriert: Di 12. Nov 2024, 09:43
Re: Schnauze Voll, hintere Sättel und fester Hebel, nun bekommen die einen Schmiernippel
Hallöchen,
der Beitrag ist zwar schon etwas älter, aber ich habe mir gedacht, dass ich das Thema, anlässlich meiner Situation, nochmal aufgreife.
Ich hatte ebenfalls das Problem, dass meine 36er Sättel fest waren und hab mir dann die 38er aus einem 4er Golf zugelegt.
Passen auch mega Plug & Play an die Sattelträger der 36er.
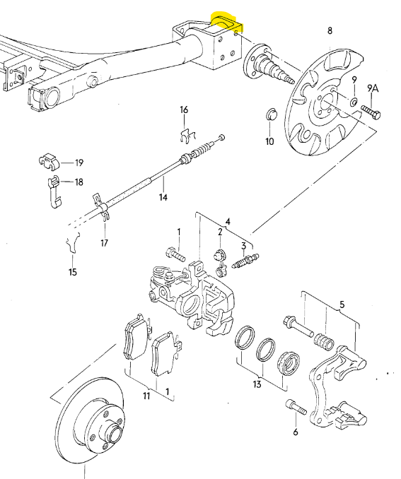
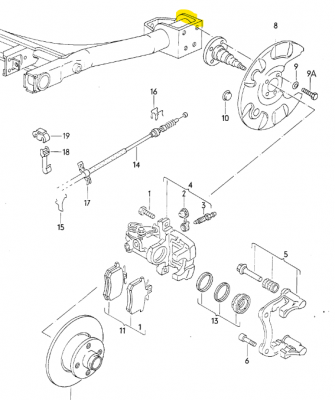
Ich hab nur das Problem, dass ich mit dem Passat-Bremsschlauch, bzw wohl eher mit der Hohlschraube an dem gelb markierten Bereich anstehe und sich der Sattel so nicht bewegen lässt.
Ich hab momentan nur kein richtiges Bild davon, aber vielleicht kann ja jemand was damit anfangen, oder hatte das Problem auch.
Ich hatte mir schon überlegt, den markierten Teil der Achse einfach ein wenig mit der Flex "auszurunden", bin mir aber nicht sicher, ob das so eine gute Idee ist.
Vielen dank schonmal

der Beitrag ist zwar schon etwas älter, aber ich habe mir gedacht, dass ich das Thema, anlässlich meiner Situation, nochmal aufgreife.
Ich hatte ebenfalls das Problem, dass meine 36er Sättel fest waren und hab mir dann die 38er aus einem 4er Golf zugelegt.
Passen auch mega Plug & Play an die Sattelträger der 36er.
Ich hab nur das Problem, dass ich mit dem Passat-Bremsschlauch, bzw wohl eher mit der Hohlschraube an dem gelb markierten Bereich anstehe und sich der Sattel so nicht bewegen lässt.
Ich hab momentan nur kein richtiges Bild davon, aber vielleicht kann ja jemand was damit anfangen, oder hatte das Problem auch.
Ich hatte mir schon überlegt, den markierten Teil der Achse einfach ein wenig mit der Flex "auszurunden", bin mir aber nicht sicher, ob das so eine gute Idee ist.
Vielen dank schonmal
