wechsel Radnabe hinten Audi A3 8P (1,6 - Benzin)

Alles zu anderen Autos (keine Sciroccos)
Antworten
Benutzeravatar
huettmeierwe
Benutzer
Beiträge: 254
Registriert: Sa 13. Okt 2007, 02:53

wechsel Radnabe hinten Audi A3 8P (1,6 - Benzin)

Beitrag von huettmeierwe »

Hallo,
welcher Vielzahn für wechsel Radnabe hinten Audi A3 8P (1,6 - Benzin)
ist erforderlich?
Bei Hazet (Online Katalog) fand ich M16 (Hazet No: 990-18)

Welches Drehmoment bei Zusammenbau ist richtig?

Danke im voraus.
gruß
huettmeierwe
Benutzeravatar
COB
Erfahrener Nutzer
Beiträge: 6671
Registriert: Fr 3. Jul 2009, 12:29
Wohnort: CHE/ERL

AW: wechsel Radnabe hinten Audi A3 8P (1,6 - Benzin)

Beitrag von COB »

Lt. Onkel ist das eine M20x1,5, 12-Kant-Buntmutter selbst sichernd. Das müsste was um SW32 sein.

Drehmoment weiss der Onkel leider nicht.
Die VW-Horde: Scirocco GT (93-99) - Passat C (95-01) - Scirocco GTX (99-heute)
Die BMW-Horde: 525iT (01-07) - 540iT (07-heute) - 540iA (09-heute) - 528iT (10-heute) - 520dT (18-heute)

Haftungsausschluss: Alle gemachten Aussagen stellen lediglich die Sichtweise des Autors anhand der vorliegenden Informationen dar. Der Autor übernimmt keinerlei Haftung für die Befolgung gemachter Ratschläge und Hinweise. Jeder Halter ist für die Sicherheit seines Fahrzeuges vollumfänglich selbst verantwortlich und handelt somit immer eigenverantwortlich.
Benutzeravatar
huettmeierwe
Benutzer
Beiträge: 254
Registriert: Sa 13. Okt 2007, 02:53

AW: wechsel Radnabe hinten Audi A3 8P (1,6 - Benzin)

Beitrag von huettmeierwe »

Mein Audi ist Baujahr 2006. Hab's gestern offen gehabt!
Zentralschraube !
(Sieht aus wie Schrauben an den Antriebswellen. Antriebswellen jedoch M8)
Hazet No: 990 M16 oder Hazet No: 990 M18
Wenn's nicht unbedingt sien muss, will ich nicht beide kaufen.
gruß
huettmeierwe
COB hat geschrieben:Lt. Onkel ist das eine M20x1,5, 12-Kant-Buntmutter selbst sichernd. Das müsste was um SW32 sein.

Drehmoment weiss der Onkel leider nicht.
Benutzeravatar
COB
Erfahrener Nutzer
Beiträge: 6671
Registriert: Fr 3. Jul 2009, 12:29
Wohnort: CHE/ERL

AW: wechsel Radnabe hinten Audi A3 8P (1,6 - Benzin)

Beitrag von COB »

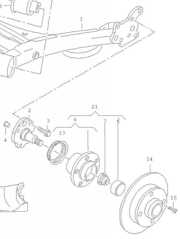
OK, dann muss ich passen. Mein Onkel geht nur bis zum 8L. Von dem sind die Angaben. Sieht dort so aus:
Der Dateianhang tmp.jpg existiert nicht mehr.
Vlt. hilft es ja was...
Dateianhänge
tmp.jpg
Die VW-Horde: Scirocco GT (93-99) - Passat C (95-01) - Scirocco GTX (99-heute)
Die BMW-Horde: 525iT (01-07) - 540iT (07-heute) - 540iA (09-heute) - 528iT (10-heute) - 520dT (18-heute)

Haftungsausschluss: Alle gemachten Aussagen stellen lediglich die Sichtweise des Autors anhand der vorliegenden Informationen dar. Der Autor übernimmt keinerlei Haftung für die Befolgung gemachter Ratschläge und Hinweise. Jeder Halter ist für die Sicherheit seines Fahrzeuges vollumfänglich selbst verantwortlich und handelt somit immer eigenverantwortlich.
Benutzeravatar
huettmeierwe
Benutzer
Beiträge: 254
Registriert: Sa 13. Okt 2007, 02:53

AW: wechsel Radnabe hinten Audi A3 8P (1,6 - Benzin)

Beitrag von huettmeierwe »

Iat ein 8P, trotzden Danke!
gruß
huettmeierwe
COB hat geschrieben:OK, dann muss ich passen. Mein Onkel geht nur bis zum 8L. Von dem sind die Angaben. Sieht dort so aus:

[ATTACH=CONFIG]75089[/ATTACH]

Vlt. hilft es ja was...
Benutzeravatar
huettmeierwe
Benutzer
Beiträge: 254
Registriert: Sa 13. Okt 2007, 02:53

AW: wechsel Radnabe hinten Audi A3 8P (1,6 - Benzin)

Beitrag von huettmeierwe »

Hab noch eine Frage, ist zum Abziehen der Radnabe (von der Welle) spezielles Werkzeug
(Abzieher od. ähnliches) nötig?
Wie fest sitzt die Radnabe?

Danke im voraus!
gruß
huettmeierwe
Benutzeravatar
COB
Erfahrener Nutzer
Beiträge: 6671
Registriert: Fr 3. Jul 2009, 12:29
Wohnort: CHE/ERL

AW: wechsel Radnabe hinten Audi A3 8P (1,6 - Benzin)

Beitrag von COB »

Abzieher wäre von Vorteil und zu klein sollte der auch nicht sein. ;-) Und pass auf, dass alles zusammen kommt, nicht das es das Radlager rauszieht aus der Nabe und das dann stecken bleibt. Und Warm-/Kaltmachen kann auch dabei helfen.
Die VW-Horde: Scirocco GT (93-99) - Passat C (95-01) - Scirocco GTX (99-heute)
Die BMW-Horde: 525iT (01-07) - 540iT (07-heute) - 540iA (09-heute) - 528iT (10-heute) - 520dT (18-heute)

Haftungsausschluss: Alle gemachten Aussagen stellen lediglich die Sichtweise des Autors anhand der vorliegenden Informationen dar. Der Autor übernimmt keinerlei Haftung für die Befolgung gemachter Ratschläge und Hinweise. Jeder Halter ist für die Sicherheit seines Fahrzeuges vollumfänglich selbst verantwortlich und handelt somit immer eigenverantwortlich.
Benutzeravatar
huettmeierwe
Benutzer
Beiträge: 254
Registriert: Sa 13. Okt 2007, 02:53

AW: wechsel Radnabe hinten Audi A3 8P (1,6 - Benzin)

Beitrag von huettmeierwe »

Hallo,
Radlager ist gewechselt.
Vielzahn (z.B. Hazet 990 - M18) erforderlich. Bin froh dass ich "guten Vielzahn" (hat auch gut Geld gekostet, 25 EUR) gekauft hab.
Zentralschraube ging sehr schwer auf.
Mit dem Schlagschrauber allein ging's nicht auf, Hebel: 3 m Rohr auch 1/2" Knochen.
Radnabe konnte ich von Hand abziehen. Drehmoment 180 Nm + eine halbe Umdrehung.
gruß
huettmeierwe
Benutzeravatar
COB
Erfahrener Nutzer
Beiträge: 6671
Registriert: Fr 3. Jul 2009, 12:29
Wohnort: CHE/ERL

AW: wechsel Radnabe hinten Audi A3 8P (1,6 - Benzin)

Beitrag von COB »

Na dann, Glückwunsch, klingt ja recht abenteuerlich, das Ganze. ;-)
Die VW-Horde: Scirocco GT (93-99) - Passat C (95-01) - Scirocco GTX (99-heute)
Die BMW-Horde: 525iT (01-07) - 540iT (07-heute) - 540iA (09-heute) - 528iT (10-heute) - 520dT (18-heute)

Haftungsausschluss: Alle gemachten Aussagen stellen lediglich die Sichtweise des Autors anhand der vorliegenden Informationen dar. Der Autor übernimmt keinerlei Haftung für die Befolgung gemachter Ratschläge und Hinweise. Jeder Halter ist für die Sicherheit seines Fahrzeuges vollumfänglich selbst verantwortlich und handelt somit immer eigenverantwortlich.
Benutzeravatar
huettmeierwe
Benutzer
Beiträge: 254
Registriert: Sa 13. Okt 2007, 02:53

AW: wechsel Radnabe hinten Audi A3 8P (1,6 - Benzin)

Beitrag von huettmeierwe »

Danke!
gruß
huettmeierwe
COB hat geschrieben:Na dann, Glückwunsch, klingt ja recht abenteuerlich, das Ganze. ;-)
Antworten