[JH] Ruckelt unter Last

Ihr habt ein Problem oder eine technische Frage? Bitte stellt Anleitungen aber in die FAQ!
Benutzeravatar
scirocco_tim
Benutzer
Beiträge: 374
Registriert: Fr 19. Aug 2005, 18:53

[JH] Ruckelt unter Last

Beitrag von scirocco_tim »

Guten Morgen liebe Forumgemeinde!

Seit kurzem ruckelt meine Scirocco unter Vollast. Es tritt soweit ich festgestellt habe ausschließlich bei fast leerem (kurz vor rotem oder im roten Bereich) Tank auf. Ich habe bisher den Bezinfilter getauscht und mich vergewissert, dass die Vorförderpumpe unter der Rückband läuft (ist der Fall). Das stottern trat bisher sowohl bei warmen Motor (92 Grad Öltemp.) als auch bei fast warmen Motor (74 Grad Öltemp.) auf.

Hat jemand ähnliche Erfahrung mit der o.g. Problematik gemacht und kann mir vielleicht helfen?

Fahrzeugdaten:

MKB: JH, Laufleistung 135tkm
EZ: 1990
Model: GT2

Freundlichen Lichthupe,
Tim
[SIGPIC][/SIGPIC]
....rennt wie sau....
Günni

AW: [JH] Ruckelt unter Last

Beitrag von Günni »

Dann tank doch einfach. :lol:
Benutzeravatar
scirocco_tim
Benutzer
Beiträge: 374
Registriert: Fr 19. Aug 2005, 18:53

AW: [JH] Ruckelt unter Last

Beitrag von scirocco_tim »

:-)

und dann gehts??

Spaß beiseite, im Tank ist natürlich noch Kraftstoff.
[SIGPIC][/SIGPIC]
....rennt wie sau....
Noxin
Benutzer
Beiträge: 420
Registriert: Di 10. Okt 2006, 23:09
Wohnort: Meschede

AW: [JH] Ruckelt unter Last

Beitrag von Noxin »

Wie präzise hast du die Funktion der Vorförderpumpe geprüft? Dass das Teil Geräusche macht beweist die Funktion noch nicht.

Entschuldige die "spitze" Frage. Nur wird dieser Fehler oft am anfang einer Diagnose aufgrund der Pumpengeräusche ausgeschlossen und war am Ende dann doch die Ursache.

Die Kraftstoffpumpen sind bei der Problemschilderung natürlich die Hauptverdächtigen.
92er GT2 II mit ohne Heckspoiler...
Benutzeravatar
COB
Erfahrener Nutzer
Beiträge: 6671
Registriert: Fr 3. Jul 2009, 12:29
Wohnort: CHE/ERL

AW: [JH] Ruckelt unter Last

Beitrag von COB »

Einer defekten Vorförderpumpe ist es aber egal, ob der Tank fast leer oder ganz voll ist. Seine Beschreibung lässt wirklich zuerst mal auf einen leeren Tank schließen, wenn die Pumpe bereits Luft und/oder "Geröll" ansaugt.
Die VW-Horde: Scirocco GT (93-99) - Passat C (95-01) - Scirocco GTX (99-heute)
Die BMW-Horde: 525iT (01-07) - 540iT (07-heute) - 540iA (09-heute) - 528iT (10-heute) - 520dT (18-heute)

Haftungsausschluss: Alle gemachten Aussagen stellen lediglich die Sichtweise des Autors anhand der vorliegenden Informationen dar. Der Autor übernimmt keinerlei Haftung für die Befolgung gemachter Ratschläge und Hinweise. Jeder Halter ist für die Sicherheit seines Fahrzeuges vollumfänglich selbst verantwortlich und handelt somit immer eigenverantwortlich.
Benutzeravatar
Freggel70
Beiträge: 4434
Registriert: Mo 15. Jun 2009, 11:30
Wohnort: Iserlohn

AW: [JH] Ruckelt unter Last

Beitrag von Freggel70 »

COB hat geschrieben:Einer defekten Vorförderpumpe ist es aber egal, ob der Tank fast leer oder ganz voll ist. Seine Beschreibung lässt wirklich zuerst mal auf einen leeren Tank schließen, wenn die Pumpe bereits Luft und/oder "Geröll" ansaugt.
genau, kann auch sein dass der Tank verdreckt ist.....Rostteilchen etc.....
auf sowas steht die Pumpe net so
vl einfach mal ausbauen und genau ansehen evtl säubern ....
[SIGPIC][/SIGPIC]
Benutzeravatar
Nordrocco
Beiträge: 891
Registriert: Sa 20. Okt 2007, 09:41
Wohnort: Aachen
Kontaktdaten:

AW: [JH] Ruckelt unter Last

Beitrag von Nordrocco »

COB hat geschrieben:Einer defekten Vorförderpumpe ist es aber egal, ob der Tank fast leer oder ganz voll ist. Seine Beschreibung lässt wirklich zuerst mal auf einen leeren Tank schließen, wenn die Pumpe bereits Luft und/oder "Geröll" ansaugt.
Ist oft so, wie Du schreibst. "Geröll" "Schmodder" oder was auch immer sich im Tank befindet wird dann angesaugt, wenn der Tank fast leer ist.

Ich hatte da aber letztes Jahr eine ganz andere Erfahrung machen dürfen!

Die VVP pumpt ja in den Catchetank (von VW Filter genannt), aus welchem sich die Hauptpumpe wiederum bedient.

Bei vollem Tank ist das Benzinniveau im Tank so hoch, dass der Sprit von selbst in den Catche läuft. Bei halb leerem Tank muss die VVP schon mithelfen. Dieser Effekt verstärkt sich mit abnehmander Tankfüllung.

Wenn jetzt der Catche gut im Schuss und absolut dicht ist und die VVP streikt, dann saugt ab einem gewissen Niveau die Hauptpumpe einfach durch alles durch und wird dabei meistens etwas lauter. Wenn nicht (und so wars bei mir), dann saugt die Hauptpumpe auch Luftbläschen mit an. Dieser Effekt verstärkt sich mit zunehmend entleerendem Tank immer weiter.

Lange Rede kurzer Sinn; In den Tank schauen und wenn der sauber ist, dann neue VVP.
[SIGPIC][/SIGPIC]
Benutzeravatar
COB
Erfahrener Nutzer
Beiträge: 6671
Registriert: Fr 3. Jul 2009, 12:29
Wohnort: CHE/ERL

AW: [JH] Ruckelt unter Last

Beitrag von COB »

Nordrocco hat geschrieben: Die VVP pumpt ja in den Catchetank (von VW Filter genannt), aus welchem sich die Hauptpumpe wiederum bedient.
Zum Verständnis, der Sprit-Filter sitzt doch vorn am Mengenteiler, meinst du das Teil neben der Pumpe am Unterboden, was ich als Druck- oder Kraftstoffspeicher kenne ? Der sollte heile sein, das stimmt allerdings.
Die VW-Horde: Scirocco GT (93-99) - Passat C (95-01) - Scirocco GTX (99-heute)
Die BMW-Horde: 525iT (01-07) - 540iT (07-heute) - 540iA (09-heute) - 528iT (10-heute) - 520dT (18-heute)

Haftungsausschluss: Alle gemachten Aussagen stellen lediglich die Sichtweise des Autors anhand der vorliegenden Informationen dar. Der Autor übernimmt keinerlei Haftung für die Befolgung gemachter Ratschläge und Hinweise. Jeder Halter ist für die Sicherheit seines Fahrzeuges vollumfänglich selbst verantwortlich und handelt somit immer eigenverantwortlich.
Benutzeravatar
Nordrocco
Beiträge: 891
Registriert: Sa 20. Okt 2007, 09:41
Wohnort: Aachen
Kontaktdaten:

AW: [JH] Ruckelt unter Last

Beitrag von Nordrocco »

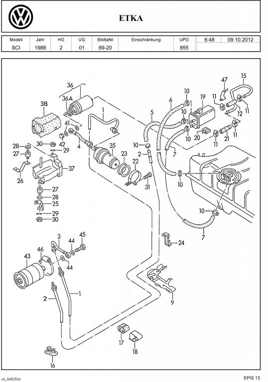
Ich meine das Teil das vor dem rechten hinteren Kotflügel sitzt. Teil Nr. 19
Der Dateianhang Tank.jpg existiert nicht mehr.
Dateianhänge
Tank.jpg
[SIGPIC][/SIGPIC]
Benutzeravatar
scirocco_tim
Benutzer
Beiträge: 374
Registriert: Fr 19. Aug 2005, 18:53

AW: [JH] Ruckelt unter Last

Beitrag von scirocco_tim »

Vielen Dank erstmal für die zahlreichen und schnellen Antworten!
Getauscht habe ich den Kraftstofffilter, Pos. Nr. 43 auf dem Bild von Nordrocco (Antwort #9)
Ich werde versuchen heute in den Tank zu schauen und auf Rostpartikel prüfen. Und dann gegebenenfalls reinigen oder VVP tauschen.
Ich werde mich wieder melden!

Also vielen Dank nochmal :-)
[SIGPIC][/SIGPIC]
....rennt wie sau....
Antworten