
Ich würde ja gerne helfen, aber ich hab selber nicht so den Durchblick bei der Spritze. Und weit weg isses auch.
In nem Forum für recht seltene Sciroccos hat man leider nicht die Reichweite und Präsenz wie im Golf IV Forum

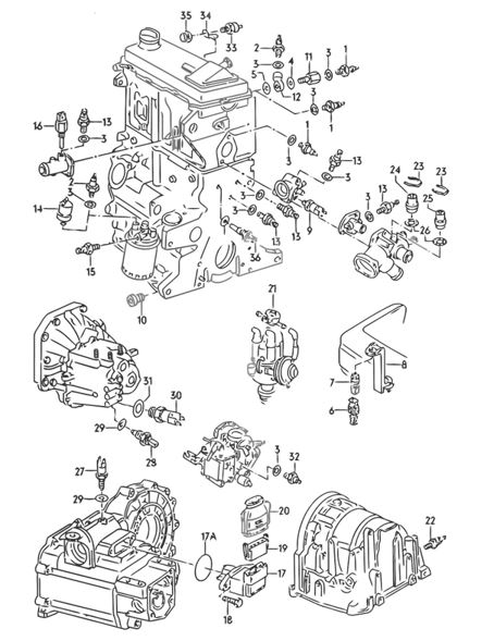
Meine (recht bedürftigen) Schrauberkenntnisse an der K-Jet würden mich bei deinem Fall erst mal zum Systemdruck bringen. Also Manometer und ein paar Adapter kaufen und los gehts :D
Irgendwo im Netz gibts schöne Tabellen mit Kühlmitteltemperatur und Systemdruck. Das ist Praktisch das EKG oder Blutdruck von so ner K-Jet. Damit kann man echt viel diagnostizieren.
Oder die 5. Düse ist (zu lange oder gar nicht) am pinkeln und daher zu fettes/mageres Gemisch beim/ nach dem Starten. Ferndiagnose bei der Jetronic braucht eine FUNKTIONIERENDE magische Kugel, aber alle die ich bestellt habe waren immer kaputt und die originalen von Bosch sind nirgendwo zu finden :/
Evtl. einfach mal die 5. Düse raus schrauben und das Verhalten beim Starten beobachten.