*erledigt* Schaltgestänge 1990er GTII

Antworten
Benutzeravatar
Phil89
Benutzer
Beiträge: 264
Registriert: Mi 29. Sep 2010, 17:35
Wohnort: 46325 Borken

*erledigt* Schaltgestänge 1990er GTII

Beitrag von Phil89 »

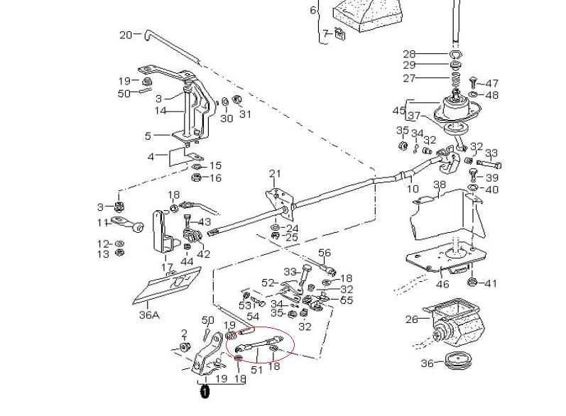
Hallo Leute, ich suche das Teil 51 auf der folgenden Übersicht, wer hat noch eines über ? Meines hat sich heute verabschiedet ! :feuer:
Der Dateianhang 6639323064646564.jpg existiert nicht mehr.
Gruß, Phil

Hallo Leute,

danke an Maggus ! Bei Ebay bekommt man den Plunder ja noch neu =)

Danke trotzdem auch an Ulf Quaas und Bad Boy 2003 für die Angebote.
Dateianhänge
6639323064646564.jpg
Antworten