Kühlwasserschlauch

Antworten
Benutzeravatar
hasi
Benutzer
Beiträge: 150
Registriert: Sa 6. Sep 2008, 22:59
Wohnort: Lüneburg

Kühlwasserschlauch

Beitrag von hasi »

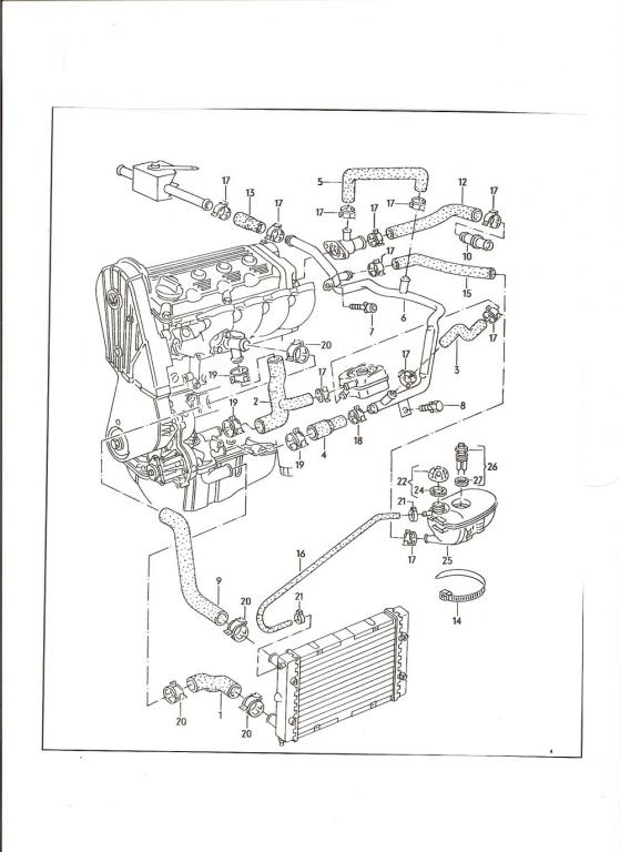
Suche den Kühlwasserschlauch vom KR/PL der vom Wasserflansch ( unterm Verteiler ) aufs Wasserrohr geht. Gruß Markus

Nr. 5

ist dringend !!!
Der Dateianhang Wasserschlauch.jpg existiert nicht mehr.
Dateianhänge
Wasserschlauch.jpg
Antworten