Hallo
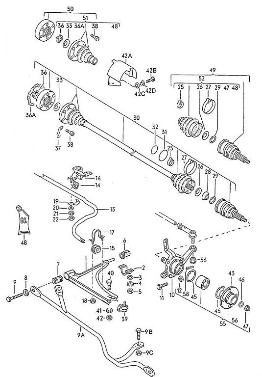
Wie bekommt man denn die Außengelenke von den Antriebswellen runder ? Innen ist da ja ein Ring drauf will die Abdrehen damit die 100 Gelenke draufpassen ??
Antriebswellen Problem
-
tuningrudi
- Benutzer
- Beiträge: 96
- Registriert: Mo 1. Mai 2006, 19:32
- Wohnort: Chemnitz
Antriebswellen Problem
chemnitz,sachsen
- dcat
- Benutzer
- Beiträge: 66
- Registriert: Mo 10. Dez 2007, 20:59
- Wohnort: Reith, Lk. Stade
AW: Antriebswellen Proplem
Hallo,
die Aussengelenke sind einfach nur auf den Wellen draufgesteckt, als Sicherung dient ein Sprengring in einer Nut auf der Welle. Die Welle in einen Schraubstock einspannen und mit einem Dorn und Hammer mit vorsichtigen Schlägen das Gelenk von der Welle herunterschlagenn, geht einfach so herunter.
Gruß Dirk
die Aussengelenke sind einfach nur auf den Wellen draufgesteckt, als Sicherung dient ein Sprengring in einer Nut auf der Welle. Die Welle in einen Schraubstock einspannen und mit einem Dorn und Hammer mit vorsichtigen Schlägen das Gelenk von der Welle herunterschlagenn, geht einfach so herunter.
Gruß Dirk
- Dateianhänge
-
- Antriebswelle.jpg (63.45 KiB) 391 mal betrachtet
- GTX
- Erfahrener Nutzer
- Beiträge: 8572
- Registriert: So 21. Apr 2002, 19:06
- Wohnort: Frankfurt
AW: Antriebswellen Problem
Dabei das Gelenk immer gerade (also in axial zur Welle) halten, sonst besteht die Gefahr, dass das die Kugeln herausfallen. Ist ne schweinearbeit die wieder zusammen zu bekommen.
Gruß Sebastian
Corrado 60 + Volvo 945 Turbo
[SIGPIC][/SIGPIC]
http://keulenschwingerseb.pennergame.de/
Corrado 60 + Volvo 945 Turbo
[SIGPIC][/SIGPIC]
http://keulenschwingerseb.pennergame.de/
-
tuningrudi
- Benutzer
- Beiträge: 96
- Registriert: Mo 1. Mai 2006, 19:32
- Wohnort: Chemnitz
AW: Antriebswellen Proplem
Ne das funzt eben nicht !beim Golf 2 ist das so da ist so ein unrunder Wellen Ring drauf. Bei die Einser Wellen muß das anders sein habs schon mit denn Vorschlaghammer versucht hab sie zum schluß zerflexst die Gelenke.
mfgRudi
mfgRudi
chemnitz,sachsen
- Peet!
- Erfahrener Nutzer
- Beiträge: 3291
- Registriert: Mi 30. Nov 2005, 20:28
- Wohnort: Niederbayern
AW: Antriebswellen Proplem
die älteren sind mit seegerringen gesichert, das sind die ringe mit den zwei ösen wo man eine seegerringzange nehmen sollte!
gruß peet
gruß peet
Wenn du redest,
muß deine Rede besser sein,
als dein Schweigen gewesen wäre !
muß deine Rede besser sein,
als dein Schweigen gewesen wäre !
- DucAndi
- Erfahrener Nutzer
- Beiträge: 2560
- Registriert: Mi 7. Aug 2002, 09:08
- Wohnort: Zell
- Kontaktdaten:
AW: Antriebswellen Problem
Wenn ich das richtig versteh, sind die kleinen Gelenke drauf und du willst umbauen auf 100er Gelenke?
Wenn ja, dann kannst du dir die arbeit sparen, da die Wellen nicht soweit geändert werden können bis die 100er Gelenke passen. Hatte ich auch schon vor.
Wenn ja, dann kannst du dir die arbeit sparen, da die Wellen nicht soweit geändert werden können bis die 100er Gelenke passen. Hatte ich auch schon vor.
So Bua! Jiatz zoagt da da Babba amoi wos a richtige Arschbombm is!
- onliner
- Benutzer
- Beiträge: 405
- Registriert: Di 23. Jan 2007, 17:28
- Kontaktdaten:
-
tuningrudi
- Benutzer
- Beiträge: 96
- Registriert: Mo 1. Mai 2006, 19:32
- Wohnort: Chemnitz
AW: Antriebswellen Problem
Hallo
Ja die will ich umbauen auf 100 mm Gelenke! Hab ich vor lauter Fett nicht gesehen denn Sprengring. Hab die Wellen auch schon abgedreht so das die 100 mm Gelenke draufpassen "mal sehen ob das hält".
So nun brauch ich ein paar Außengelenke alte Version?????
Mfg Rudi
Ja die will ich umbauen auf 100 mm Gelenke! Hab ich vor lauter Fett nicht gesehen denn Sprengring. Hab die Wellen auch schon abgedreht so das die 100 mm Gelenke draufpassen "mal sehen ob das hält".
So nun brauch ich ein paar Außengelenke alte Version?????
Mfg Rudi
- Dateianhänge
-
- vw1 004.jpg (249.17 KiB) 378 mal betrachtet
-
- vw1 003.jpg (272.86 KiB) 377 mal betrachtet
chemnitz,sachsen