AU nicht bestanden

Ihr habt ein Problem oder eine technische Frage? Bitte stellt Anleitungen aber in die FAQ!
Benutzeravatar
Nordrocco
Beiträge: 891
Registriert: Sa 20. Okt 2007, 09:41
Wohnort: Aachen
Kontaktdaten:

AW: AU nicht bestanden

Beitrag von Nordrocco »

Okay, danke.
[SIGPIC][/SIGPIC]
Benutzeravatar
Senior
Benutzer
Beiträge: 149
Registriert: Mo 3. Mär 2008, 19:46
Wohnort: Wolfenbüttel

AW: AU nicht bestanden

Beitrag von Senior »

Sorry, hatte gestern keine Zeit zu antworten.

@Stephan: Der Zusammenhang ist bzw. war mir bewußt.
@Nordrocco: Stichwort Dynamo am Fahrrad. Mit Licht am Fahrrad musst Du kräftiger treten oder fährst langsamer :-) . Durchaus vergleichbar.

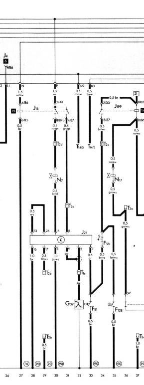
Ich habe mich nochmal mit dem Stromlaufplan beschäftigt. Hier der betreffende Ausschnitt:
Der Dateianhang stromlaufplan_motor_JH_6442px.jpg existiert nicht mehr.
Betroffene Bauteile:

J16 = Relais 26 für Spannungsversorgung
J21 = Steuergerät KA-Jetronic
N7 = Taktventil
G39 = Lambda-Sonde
F81 = Vollastschalter

Defekte an den Bauteilen schließe ich aus. Meine Überlegungen gehen in folgende Richtung:

Relais J16 wird bei eingeschaltetem Licht nicht mit vollen 12V bestromt. Somit laufen Steuergerät und Taktventil nicht richtig.
Dagegen spricht jedoch, dass bei manueller Betätigung des Vollastschalters die Regelung auf 50:50 läuft und wieder einsetzt.

Das Steuergerät bekommt an PIN 5,16 und 17 Masse.

Weiß jemand wo genau die Kabel angeschlossen sind?

PIN 5 br/ws: Da fällt mir ein Kabel mit Ringöse am Ventildeckel ein?
PIN 17 bl/ws mit Steckverbinder T2b im Motorraum. Wo ist der Verbinder?
PIN 16 br keine Ahnung

Vielleicht kennt jemand spontan die Punkte und spart mir Zeit mit stundenlanger Suche und Messungen.

Ich vermute ein Problem mit der Masseversorgung des Steuergerätes.
Bei Betätigung des Volllastschalters wird Masse auf PIN 7 des Steuergerätes geschaltet und die Regelung setzt wieder ein.
Dateianhänge
stromlaufplan_motor_JH_6442px.jpg
Benutzeravatar
COB
Erfahrener Nutzer
Beiträge: 6671
Registriert: Fr 3. Jul 2009, 12:29
Wohnort: CHE/ERL

AW: AU nicht bestanden

Beitrag von COB »

Senior hat geschrieben: dass bei manueller Betätigung des Vollastschalters die Regelung auf 50:50 läuft und wieder einsetzt.
Nee, eben gerade nicht, der Schalter an der Drokla schaltet die Lambdaregelung ab. Unter Vollast geht der auf ein festes Taktverhältnis bei etwa Lambda 0.85. Und selbst wenn die Regelung im normalen Betrieb aussteigt, dann läuft der quasi als DX weiter und auch der hält bei Licht an seine CO-Werte.
Die VW-Horde: Scirocco GT (93-99) - Passat C (95-01) - Scirocco GTX (99-heute)
Die BMW-Horde: 525iT (01-07) - 540iT (07-heute) - 540iA (09-heute) - 528iT (10-heute) - 520dT (18-heute)

Haftungsausschluss: Alle gemachten Aussagen stellen lediglich die Sichtweise des Autors anhand der vorliegenden Informationen dar. Der Autor übernimmt keinerlei Haftung für die Befolgung gemachter Ratschläge und Hinweise. Jeder Halter ist für die Sicherheit seines Fahrzeuges vollumfänglich selbst verantwortlich und handelt somit immer eigenverantwortlich.
Benutzeravatar
Nordrocco
Beiträge: 891
Registriert: Sa 20. Okt 2007, 09:41
Wohnort: Aachen
Kontaktdaten:

AW: AU nicht bestanden

Beitrag von Nordrocco »

@Senior: Der Gedanke ist gut. Ich hatte bei meinem 16V mal das Problem, dass er nicht mehr anspringen wollte. Grund war, dass beim Betätigen des Anlassers quasi keine Masse mehr für das Steuergerät übrig blieb. Ich hatte dann zum testen einfach ein Starterkabel von Batterie minus zum Kopf gelegt, dann war er sofort da. Kannst Du ja auch mal testen, bevor Du Dir jetzt alle Litzen zusammenkramst.
[SIGPIC][/SIGPIC]
Benutzeravatar
cekey
Erfahrener Nutzer
Beiträge: 3390
Registriert: Fr 5. Apr 2002, 12:07

AW: AU nicht bestanden

Beitrag von cekey »

Es geht ein Massekabel zur Zündspule vom Kopf aus, mal schaun vielleicht ist es deswegen.
Sonst sind noch am Batteriepol Massekabel mit dran, und am Sicherungskasten ist eine Masse
Das Massekabel von Batt zu Anlasser (das ja wohl dran ist) ist auch nochmal unter der Batt an der Karosse befestigt, da auch mal schaun ob Kontakt gut.
Fröhliches suchen
"Das geht nicht" das haben die anderen schon rausgefunden
Jetzt musst du den Weg finden dass das doch geht.
@ michael manousakis

Scirocco ABF, Klima, 6-Gang Erweiterung, Wavetrac-Sperre, Tempomat, ABS
Benutzeravatar
COB
Erfahrener Nutzer
Beiträge: 6671
Registriert: Fr 3. Jul 2009, 12:29
Wohnort: CHE/ERL

AW: AU nicht bestanden

Beitrag von COB »

cekey hat geschrieben: Das Massekabel von Batt zu Anlasser (das ja wohl dran ist) ist auch nochmal unter der Batt an der Karosse befestigt
Der Starter hat nur einen + Abschluss, Masse zieht der sicher über das Gehäuse => Kurbelgehäuse/Getriebe => Karosse.
Die VW-Horde: Scirocco GT (93-99) - Passat C (95-01) - Scirocco GTX (99-heute)
Die BMW-Horde: 525iT (01-07) - 540iT (07-heute) - 540iA (09-heute) - 528iT (10-heute) - 520dT (18-heute)

Haftungsausschluss: Alle gemachten Aussagen stellen lediglich die Sichtweise des Autors anhand der vorliegenden Informationen dar. Der Autor übernimmt keinerlei Haftung für die Befolgung gemachter Ratschläge und Hinweise. Jeder Halter ist für die Sicherheit seines Fahrzeuges vollumfänglich selbst verantwortlich und handelt somit immer eigenverantwortlich.
Benutzeravatar
Senior
Benutzer
Beiträge: 149
Registriert: Mo 3. Mär 2008, 19:46
Wohnort: Wolfenbüttel

AW: AU nicht bestanden

Beitrag von Senior »

So, kurzer Zwischenbericht.
Scirocco steht seit gestern Abend in einer Werkstatt, welche die AU selbst macht.
Der Meister war schon dort, als der Scirocco noch als Neuwagen im Schaufenster stand. Das Thema Licht und Regelung haben wir besprochen.
Er denkt auch noch mal nach und heute Abend gibt es vielleicht noch einen Tipp.

@Nordrocco: Den Gedanken mit dem Kabel habe ich auch. Obwohl ich eher einen Masser-Verteiler in Verdacht habe. Versuch macht kluch :-)

@cekey: Das Massekabel läuft vom Pol der Batterie Richtung Getriebehalter, dort an die Karosserie und von dort weiter an eine Verbindungsschraube Motor/Getriebe.
Hatte ich bisher nicht so auf dem Plan. Aber wenn die Verbindung zur Karosserie nicht so ganz gut ist, könnte es durchaus daran liegen. Werde ich kontrollieren.
Es könnte ja durchaus auch an der Stelle den Effekt geben: großer Verbraucher (Licht) nimmt kleinem Verbraucher (Steuergerät) die Masse.

Testweise werde ich ein Kabel zwischen Batterie Minus, Motor und Karosserie legen. Geht aber erst weiter, wenn er wieder zu Hause, resp. in meiner Werkstatt seht.

Danke für Eure Gedanken und Bemühungen bisher.

Udo
Benutzeravatar
cekey
Erfahrener Nutzer
Beiträge: 3390
Registriert: Fr 5. Apr 2002, 12:07

AW: AU nicht bestanden

Beitrag von cekey »

Senior hat geschrieben: großer Verbraucher (Licht) nimmt kleinem Verbraucher (Steuergerät) die Masse.
Hier reicht ein kleiner Spannungswert, 0,5v verfälschen den Lambdawert schon komplett:
http://www.scirocco-lounge.com/schraube ... ambdasonde
Und da die Lambda die Masse vom Krümmer hat ist die Differenz Motorblock - Steuergerät-Masse relevant
"Das geht nicht" das haben die anderen schon rausgefunden
Jetzt musst du den Weg finden dass das doch geht.
@ michael manousakis

Scirocco ABF, Klima, 6-Gang Erweiterung, Wavetrac-Sperre, Tempomat, ABS
Benutzeravatar
Senior
Benutzer
Beiträge: 149
Registriert: Mo 3. Mär 2008, 19:46
Wohnort: Wolfenbüttel

AW: AU nicht bestanden

Beitrag von Senior »

Update:

AU gerade so bestanden, Co und Lambda grenzwertig hoch. HU natürlich ohne Mängel.
Der Tipp des Werkstattmeisters geht in Richtung Lambdasonde, obwohl es eigentlich unwahrscheinlich ist.

Ich habe heute mal bei laufendem Motor zwischen Motormasse und Batterieplus gemessen. Konstant bei 13,7 V, egal ob Licht an oder aus. Trotzdem habe ich den Massepunkt an der Getriebeschraube gelöst und gesäubert.
Nächste Aktion wird der Massepunkt Karosserie, aber erst in den nächsten Tagen. Hab ja 2 Jahre Zeit zur Fehlersuche :hihi:

Ich darf aber gern mal zur Zwischenmessung ins Autohaus kommen, da mir die Möglichkeiten zur Co-Messung natürlich fehlen.

Irgendwie scheint Herr B. auch Interesse an dem komischen Fehler zu haben. Ist halt ein Meister alter Schule. :-)

Udo
OSLer
Erfahrener Nutzer
Beiträge: 6165
Registriert: Di 25. Mai 2004, 12:29

AW: AU nicht bestanden

Beitrag von OSLer »

So selten ist das gar nicht mit der Lambda, die altern durchaus. Schön, daß es trotzdem erstmal geklappt hast und du jetzt mit nem engagierten Meister in Ruhe suchen kannst. :super:
Antworten