Olli's Problemchen
- 88er_GT_Scala
- Benutzer
- Beiträge: 760
- Registriert: Mo 7. Mai 2007, 11:12
- Wohnort: Allmannsweier
- Kontaktdaten:
AW: Olli´s Problemchen
Meine Hydros klappern in der kalten Jahreszeit immer morgens, im Sommer nie. Solange das Klappern aufhört, würde ich mir keine Sorgen machen.
Von einem Rückschlagventil höre ich heute zum ersten Mal...
Von einem Rückschlagventil höre ich heute zum ersten Mal...
Es gibt Leute die denken sie wären der Käs, nur weil sie so stinken!
Testamentvordrucke im Handschuhfach!
[SIGPIC][/SIGPIC]
Testamentvordrucke im Handschuhfach!
[SIGPIC][/SIGPIC]
- rocco-olli
- Erfahrener Nutzer
- Beiträge: 5242
- Registriert: Sa 24. Jun 2006, 15:11
- Wohnort: Nähe Kitzingen
AW: Olli´s Problemchen
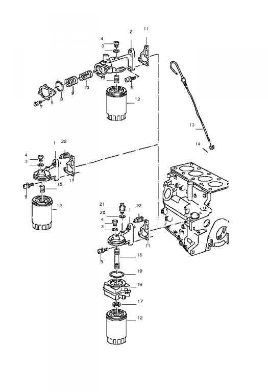
Das Ventil muss es geben, hier ist sogar ne Zeichnung: http://www.golfcabrio.de/index.php?id=346
Scheint auch irgendwo am Ölfilterflansch zu sitzen (Pos. 5), nur erkennen tut mans leider nicht.
Scheint auch irgendwo am Ölfilterflansch zu sitzen (Pos. 5), nur erkennen tut mans leider nicht.
Scirocco Scala, EZ 11/88, Nap-ESD, H&R Rebound 80 Gewindefahrwerk, 17" OZ Mito, US-Blinker, dreiteiliger GTS-Grill
[sigpic]http://img840.imageshack.us/img840/49/6 ... 359100.jpg[/sigpic]
-
Staatsfeind Nr.1
- Erfahrener Nutzer
- Beiträge: 1945
- Registriert: So 30. Apr 2006, 08:29
- Wohnort: Lägerdorf
- Kontaktdaten:
AW: Olli´s Problemchen
ich würds so lassen..
necer change an runnig system
necer change an runnig system
Grüße aus Schleswig-Holstein 
Scirocco 2 GT2,LC6V,95PS,Fächerkrümmer,Nockenwelle,bearbeiteter Zylinderkopf,70mm Tieferlegung,Vorn 7x14" ET 15 mit 185/50 R14,hinten 8x14" ET 25 mit 195/45 R14,elektrische Fensterheber,ZV,Weiße Rückleuchten,GT Scheinwerfern,Friedrich Motorsport ESD,weiße Tachofolien,30er Sportlenkrad,Scirocco Schriftzug im Seitenspiegel,Lederausstattung,Sitzheizung
[SIGPIC]hintenlinks.jpg[/SIGPIC]
Scirocco 2 GT2,LC6V,95PS,Fächerkrümmer,Nockenwelle,bearbeiteter Zylinderkopf,70mm Tieferlegung,Vorn 7x14" ET 15 mit 185/50 R14,hinten 8x14" ET 25 mit 195/45 R14,elektrische Fensterheber,ZV,Weiße Rückleuchten,GT Scheinwerfern,Friedrich Motorsport ESD,weiße Tachofolien,30er Sportlenkrad,Scirocco Schriftzug im Seitenspiegel,Lederausstattung,Sitzheizung
[SIGPIC]hintenlinks.jpg[/SIGPIC]
- sc!rocco83
- Benutzer
- Beiträge: 176
- Registriert: So 16. Aug 2009, 11:29
- Wohnort: Iserlohn
- Kontaktdaten:
AW: Olli´s Problemchen
ich hätt noch diese zeichnung. nummer 21 bzw 20 ist vieleicht das ventil was du suchst. grüße
- Dateianhänge
-
- 013200.jpg (37.81 KiB) 333 mal betrachtet
92`GTII 16V-Umbau[SIGPIC][/SIGPIC]
- zebbel
- Erfahrener Nutzer
- Beiträge: 1497
- Registriert: Mi 28. Sep 2005, 07:34
- Wohnort: Mannheim
AW: Olli´s Problemchen
Ich hab eben mal meinen Onkel gefragt. Also laut Bild is da was am Ölfilterflansch mit der Nummer 22. Aber es ist keine Teilenummer und bezeichnung mehr vorhanden. Mein Onkel is da wohl zu jung zu. Wird schon länger nimmer geben.
Gruß David
[SIGPIC][/SIGPIC]
89er GTX mit DH-JX---früher als gewollt in Restauration
86er GTX mit EX---Alltagswagen
86er GTX mit DX---Schlachtopfer
90er GTII mit JH---noch zusammen
[SIGPIC][/SIGPIC]
89er GTX mit DH-JX---früher als gewollt in Restauration
86er GTX mit EX---Alltagswagen
86er GTX mit DX---Schlachtopfer
90er GTII mit JH---noch zusammen
- rocco-olli
- Erfahrener Nutzer
- Beiträge: 5242
- Registriert: Sa 24. Jun 2006, 15:11
- Wohnort: Nähe Kitzingen
AW: Olli´s Problemchen
Hey Jungs,
werde jetz meine Hydros eben noch mal wechseln. Das sollte doch in der Garage mit Standartwerkzeug zu schaffen sein, oder? Nen kleinen Drehmoment für die Lagerböcke der Nockenlwelle bekomm ich sicher auch noch irgenwie bei.
Wo bestell ich am besten gute Hydros, meinem Teiledealer trau ich in der Hinsicht nicht mehr. Aber Chinaware aus dem Internet will ich auch nicht.
Deswegen am besten nur Tipps von Leuten die, die Teile auch da bestellt haben.
Was wiegen denn original JH Hydros?....da gabs ja auch Unterschiedliche.
Gruß Oli
werde jetz meine Hydros eben noch mal wechseln. Das sollte doch in der Garage mit Standartwerkzeug zu schaffen sein, oder? Nen kleinen Drehmoment für die Lagerböcke der Nockenlwelle bekomm ich sicher auch noch irgenwie bei.
Wo bestell ich am besten gute Hydros, meinem Teiledealer trau ich in der Hinsicht nicht mehr. Aber Chinaware aus dem Internet will ich auch nicht.
Deswegen am besten nur Tipps von Leuten die, die Teile auch da bestellt haben.
Was wiegen denn original JH Hydros?....da gabs ja auch Unterschiedliche.
Gruß Oli
Scirocco Scala, EZ 11/88, Nap-ESD, H&R Rebound 80 Gewindefahrwerk, 17" OZ Mito, US-Blinker, dreiteiliger GTS-Grill
[sigpic]http://img840.imageshack.us/img840/49/6 ... 359100.jpg[/sigpic]
-
Meiki
AW: Olli´s Problemchen
Ich hab damals Meyle reingemacht, die klappern auch heute noch nicht. Haben um die 50€ gekostet Die 8Stück.
Zu DM Zeiten habe ich mal 16 Stück von VW nach Österreich geschafft, das Stück damals mit Rabatt 31 Mark
Zu DM Zeiten habe ich mal 16 Stück von VW nach Österreich geschafft, das Stück damals mit Rabatt 31 Mark
- Folterknecht
- Sehr erfahrener Nutzer
- Beiträge: 14648
- Registriert: Mi 21. Mai 2003, 21:02
- Wohnort: Siegburg
-
Meiki
AW: Olli´s Problemchen
Folterknecht hat geschrieben:heute zahlste wohl eher 50 Euro pro stück wa ^^
Keine Ahnung? Die sagten ja schon längst zu mir, für so alte Karren bestelln wir nix mehr.
- Folterknecht
- Sehr erfahrener Nutzer
- Beiträge: 14648
- Registriert: Mi 21. Mai 2003, 21:02
- Wohnort: Siegburg
AW: Olli´s Problemchen
was ? knaller . die sollten sich freuen das die an ersatzteilen noch was verdienen !
ausserdem wer nciht will der hat schon VW scheitns noch zu gut zu gehen das die schon kundschaft wegschicken
ausserdem wer nciht will der hat schon VW scheitns noch zu gut zu gehen das die schon kundschaft wegschicken
...bin dann mal weg